福顺电子·开关、插座、连接器制造商


24H全国服务热线:          
138-2694-6240
   中文   English     



Cloud Zoom small image

产品广泛应用于CD播放器、移动电话、MP3、MP4、PDAs、笔记本、电脑、音响数码等产品。咨询热线:13826946240

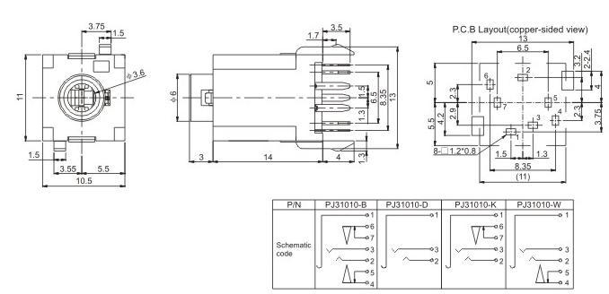
名称:3.5耳机插座PJ31010
可在线通过咨询了解详情
 
通过以下按钮进入下一步
  • 详情
  • 评价

20201204110854_79299.jpg


 

 

3.5耳机插座主要技术参数
额定负荷DC50V 0.5A
接触电阻50mΩ Max
绝缘阴抗100MΩ Min
耐高压AC 250V 1Min 
焊接温度260±5℃ 5s
机械寿命5000次
电气寿命5000次
适用温度-25~85℃
适用湿度85%PH
插拔力3~30N


3.5耳机插座使用原料:

塑胶材料采用韩国进口的PA66料,韧性好、耐高温;

PET材料,表面光滑光泽,长期使用温度可达120摄氏度;

电阻绝缘性优良、高温高频下其电性能仍能保持。

内置弹片选用进口不锈钢材质,其延展性好、接触性能优良,抗磨性和抗疲劳强度优于一般的弹片。


服务定制

可免费提供产品样品装机试验,客户可来图来样按要求开模定制。