福顺电子·开关、插座、连接器制造商


24H全国服务热线:          
138-2694-6240
   中文   English     



Cloud Zoom small image

可以应用于所有类型的计算机、鼠标、手机、照相机、录像机、音响设备和汽车收音机、PDAS和家用电器。财富热线:13826946240

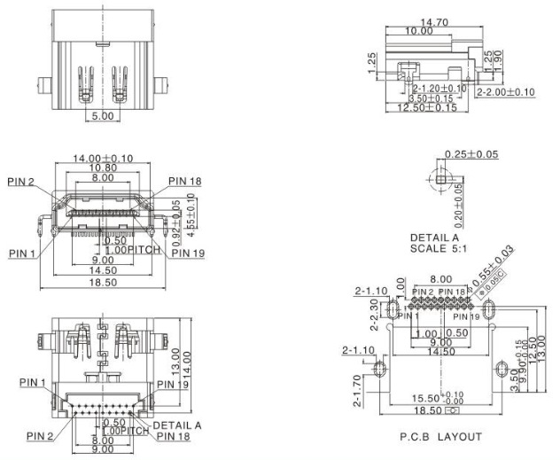
名称:HDMI-10
可在线通过咨询了解详情
 
通过以下按钮进入下一步
  • 详情
  • 评价

HDMI-10.jpg


USB/HDMI主要技术参数
使用温度 Temperature-20~70℃
额定负荷 Rated loadDC 30V 0.5A
接触电阻 Contact Resistance≤30mΩ
绝缘电阻 Insulation Resistance≥1000mΩ
耐高压 Withstand VoltageAC 500V (50HZ)/min
动作力Actuating force3~20N
寿命 Life5000 次


    高品质、高性能、环保HDMI连接器;超过10年的开关、插座、连接器生产经验;采用优质安全的材质;专业的生产人员、技术团队,完善的售前售后服务。