福顺电子·开关、插座、连接器制造商


24H全国服务热线:          
138-2694-6240
   中文   English     



Cloud Zoom small image
产品广应用于调音台、舞台音响、各种家用电器产品和汽车。财富热线:13826946240

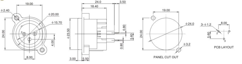
名称:卡侬座FS-010
可在线通过咨询了解详情
 
通过以下按钮进入下一步
  • 详情
  • 评价

 



卡侬座主要技术参数
接触电阻≤0.03Ω
额定负荷250V  AC 6A
绝缘电阻≥100mΩ
插拔力1kgf~5kgf
耐压1500V AC/minute
端子强度≥3kgf
湿度范围-25~70℃
寿命5000次


卡侬座使用优质原料:

塑胶材料采用韩国进口的PA66料,韧性好、耐高温;

PET材料,表面光滑光泽,长期使用温度可达120摄氏度;

电阻绝缘性优良、高温高频下其电性能仍能保持。

金属接插件接触导通性好、抗磨损、抗疲劳使用寿命长。


服务定制

可免费提供卡侬座样品装机试验,可按客户要求开模定制。